産品時(shi)間:2025-12-15
siargo ltd fs4001小(xiao)流量氣體質量(liàng)流量傳感器是(shi)專門爲各類小(xiǎo)流量氣體的測(ce)💞量和過程控制(zhì)而設計的。這一(yī)系列傳感器均(jun1)采用本公司自(zi)主研發的微機(jī)電系統(MEMS)流量傳(chuán)感芯片來制作(zuo),适用于各類清(qīng)潔氣體。*的封裝(zhuang)技術使之可用(yòng)于各類💞管徑,成(chéng)本低、易安裝、不(bú)需要溫度壓力(li)補償,可替代容(rong)積式或壓差式(shi)🔞的傳統流量傳(chuán)感器。
微型(xíng)小流量氣體流(liú)量計,廣州 氣體(tǐ)流量計, 深(shēn)圳 轉子流量計(ji), 廣東 實驗(yàn)室氣體流量計(jì) ,東莞 數顯(xian)氣體質量流量(liang)計 小流量電磁(cí)流量計 微流量(liang)流量計 微小流(liú)量計 濕式氣體(tǐ)流量計 超聲波(bo)氣體流量計
fs4001小流量氣體(ti)質量流量傳感(gan)器
産品特點
:
傳感器靈敏(mǐn)度高,有極小的(de)始動流量傳感(gǎn)器芯片采用熱(re)質量流量計量(liang),無需溫度壓力(li)補償,保證了傳(chuán)感器的高精度(dù)計量在單個芯(xīn)片上實現了多(duo)傳感器集成,使(shǐ)傳感器的🐆量程(chéng)比大大提高傳(chuan)感器的零點穩(wen)定度高全量程(cheng)高穩定性全量(liàng)程高精确度💋和(he)優良的重🧡複性(xìng)低功耗低壓損(sǔn)響應時間快.
fs4001小流量氣體(tǐ)質量流量傳感(gan)器
主要參數:
|
性(xìng)能參數 |
FS4001 |
單位 |
|
|
通(tōng) 徑 |
1.0 |
1.8 |
mm |
|
大流量 |
30, 100, 200 |
500, 1000 |
SCCM |
|
量程(cheng)比 |
≥100:1 |
|
|
|
精 度 |
±(1.5+0.2FS) |
% |
|
|
重複性(xìng) |
0.25 |
%讀數 |
|
|
零點輸出(chū)飄移 |
±30 |
mV |
|
|
輸出飄移(yí) |
±0.12 |
%/oC |
|
|
響應時間 |
4, 8, 16, 33 , 65 , 131 |
mses |
|
|
工作(zuo)電源 |
8~18Vdc,50mA |
|
|
|
輸出方式(shì) |
線性,RS232/模拟電壓(yā)0.5~4.5Vdc |
|
|
|
大流量壓損 |
350 |
300 |
pa |
|
大(dà)工作壓力 |
0.5 |
MPa |
|
|
工作(zuo)溫度 |
-10 ~ +55 |
oC |
|
|
存儲溫度(dù) |
-20 ~ +65 |
oC |
|
|
工作濕度 |
<95%RH(無結(jie)冰、無凝露) |
|
|
|
機械(xiè)接口 |
可拆式軟(ruǎn)管接頭 |
|
|
|
校準方(fang)式 |
空氣(或其他(ta)氣體),20oC,101.325kPa |
|
|
|
重量 |
15 |
g |
|
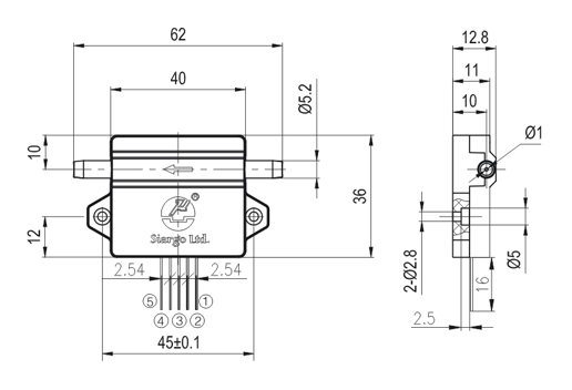
機械(xiè)尺寸:
©2024 廣州迪川(chuan)儀器儀表有限(xiàn)公司() 版權所有(yǒu) 總訪問量:487913 GoogleSitemap
地址(zhi):廣州市番禺區(qu)石基鎮前鋒南(nan)路125号恒星工業(ye)園東座四;樓 技(ji)術支持:智能制(zhi)造網 管理登陸(lù) 備案号:京ICP證000000号(hao)
廣州迪川儀器(qi)儀表有限公司(sī)專業提供fs4001小流(liú)量氣體質量🔅流(liu)量傳感器等産(chan)品信息,歡迎來(lai)電咨詢!
•
· ··